新闻
新闻
网上展会
搜索
我要投稿
欢迎
手机版
登录
免费注册
回到首页
中国洗协
洗涤用品
原材料
机械装备
工业与公共设施清洁
市场走势
国际资讯
政策法规
质量\标准
科技创新
专业会展
网上展会
期刊在线
供求信息
行业专题
移动定制
English
中国洗涤用品行业信息网
首页
>
质量\标准
>
标准集锦
>
产品列表
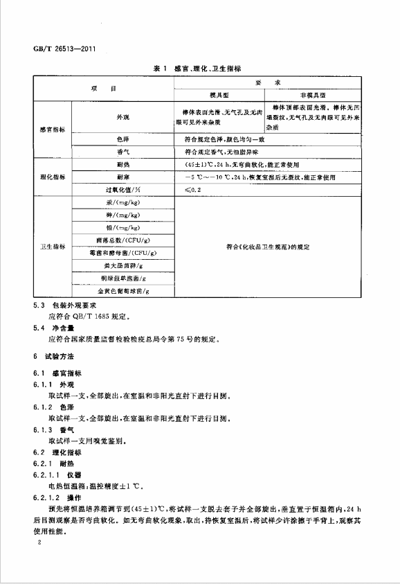
GB/T 26513-2011 润唇膏
2017/07/10 14:10:13
来源:中国洗协
作者:
收藏本文
2
1
3
4
导读:
本网维权及免责声明
1.凡本网所有原始/编译文章及图片、图标的版权均属中国洗涤用品行业信息网所有,如需转载,请注明“信息来源:中国洗涤用品行业信息网”。违反上述规定者,本网将保留追究其侵权责任的权利。
2.凡本网注明“信息来源:XXX (非中国洗涤用品行业信息网)”的作品,均转载自其它媒体,转载目的在于传递更多的信息,并不代 表本网观点和对其真实性负责
相关新闻
微信
微博
新闻热点排名
品牌故事
轻工大国工匠于文
蓝月亮的信仰
名企巡礼之宝洁
国际视野
中国洗协收到INCPA成员国协会发来新年贺卡!
赢创发布2022年第一季度财报,业绩表现远高于市场预期
诺维信发布2022年第一季度财报
杜邦公司捐赠价值340万人民币防护服,助力上海复工复产!
中国石化与巴斯夫为南京一体化基地扩建项目奠基
巴斯夫2021全年实现强劲利润增长
芬美意发布2022财年上半年业绩,实现营收和利润双双两位数增长
诺力昂可生物降解螯合剂新工厂在荷兰竣工